2、电感精度:±20%
3、电阻精度:±10%
4、温升:<80℃Max (额定电流,二相通电)
5、工作环境温度:-20 ˜ +50℃(无结冰)
6、绝缘电阻:100MΩ
min. 500VDC
7、可非标定制
15920081001
命名规则
|
14N34-15-6.35-1.27-100 □□ |
|
|
命名段 |
含义 |
|
14 |
榴莲视频破解版外径35mm |
|
N |
贯通轴式 |
|
34 |
机身长度34mm |
|
15 |
额定电流1.5A |
|
6.35 |
丝杆直径6.35mm |
|
1.27 |
导程1.27mm |
|
100 |
丝杆长度 100mm |
|
□□ |
非标标识 |
技术参数(手机浏览时,可左右滑动表格)
|
榴莲视频破解版 规格 |
机身长(mm) |
相电流 (A) |
相电阻 (Ω) |
相电感 (mH) |
转动惯量 (g.c㎡) |
重量 Kg |
适配榴莲视频无限看片APP (推荐型号) |
|
14 |
34 |
1.5 |
1.23 |
1.4 |
20 |
0.19 |
SD-422R |
|
14 |
47 |
1.5 |
1.9 |
3.2 |
30 |
0.23 |
SD-422R |
★ 推荐榴莲视频无限看片APP是脉冲型,榴莲视频色版本科技还可以为客户提供以下驱动:
★总线型步进榴莲视频无限看片APP、★IO控制、★电位器调速。
|
直线丝杆(mm) |
导程(mm) |
步长(mm) |
断电自锁力(N) |
|
6.35 |
1.27 |
0.00635 |
150 |
|
3.175 |
0.015875 |
40 |
|
|
6.35 |
0.03175 |
15 |
|
|
12.7 |
0.0635 |
3 |
|
|
25.4 |
0.127 |
0 |
动态力矩曲线


★测试条件:恒流驱动,无加速度,2细分,驱动电压24V。
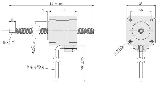
外形尺寸图(单位:mm)
★本系列榴莲视频破解版可以根据客户要求定制丝杆长度(L2) 、丝杆端部。