榴莲视频色版本,榴莲视频破解版,榴莲黄色视频网站,榴莲视频无限看片APP

20mm步进榴莲视频破解版

产品特点

  • 品牌:榴莲视频色版本
  • 推荐榴莲视频无限看片APP: SD-422R
  • 径向容许负载:15N(距安装面5mm)
  • 轴向容许负载: 3N
1、步距角:1.8°/步±5%(整步,空载)

2、电感精度:±20%

3、电阻精度:±10%

4、温升:<80Max (额定电流,二相通电)

5、工作环境温度:-20 ˜ +50℃(无结冰)

6、绝缘电阻:100MΩ min.  500VDC

7、绝缘耐压:500VAC 1Min

  • 技术参数
  • 外形尺寸
  • 资料下载

命名规则

08HS30-06D4-21□□

命名段

含义

08

榴莲视频破解版外径20mm

HS

两相步进

30

机身长度30mm

06

额定电流0.6A

D

出轴方式:A圆轴;D单扁;U键槽;V双扁

4

输出直径4mm

21

出轴长21mm

□□

非标参数


技术参数(手机浏览时,可左右滑动表格)

榴莲视频破解版型号

(Model)

保持转矩(N.M)

机身长度(mm)

相电流(A)

相 电 阻

(Ω)

相电感

(mH)

转动惯量

(g.c㎡)

重量Kg

适配榴莲视频无限看片APP

(推荐型号)

08HS30-06D4-21□□

0.016

30

0.6

6.5

  1.5

2

0.05

SD-422R

08HS38-06D4-21□□

      0.026

38

0.6

4.5

1.5

  3

0.06

SD-422R

08HS40-08D4-21□□

0.032

40

0.8

5.5

1.5

  3

0.08

SD-422R

推荐榴莲视频无限看片APP是脉冲型,榴莲视频色版本还可以为客户提供以下驱动:

总线型步进榴莲视频无限看片APP、IO控制、电位器调速、刹车控制


动态力矩曲线

曲线图

曲线图

曲线图

注意事项

同一榴莲视频破解版同一榴莲视频无限看片APP,在供电电压不同的情况下,输出力矩也会不同,建议客户充分考虑此因素,选型时预留足够的力矩余量。

榴莲视频无限看片APP电压越高,高速输出力矩越大,但不能超出榴莲视频无限看片APP的电压使用范围,建议电压小于或等于24VDC。

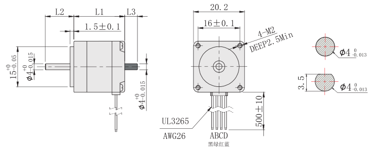
外形尺寸图(单位:mm

20榴莲视频破解版外形尺寸图


本系列榴莲视频破解版可以根据客户要求定制:机身长度(L1)、出轴长度(L2)、双出轴(L3)、出线方式。


PDF文件

3D

08HS30-06D4-21

点击下载

点击下载

08HS38-06D4-21

点击下载

点击下载

08HS40-08D4-21

点击下载

点击下载

网站首页

产品中心

电话咨询

网站地图